SVC REAKTORY
Tlumivky pro statickou kompenzaci jalového výkonu (SVC – Static Var Compensation) jsou používány pro zlepšení stability a výkonu distribučních a přenosových sítí. Tyto rychle pracující systémy pro kompenzaci jalového výkonu v sítí dynamicky ovlivňují napěťové výkyvy v systému za různých podmínek. V průmyslu se také označují jako FACTS (Flexible AC Transmision Systems = Flexibilní Střídavé Přenosové Systémy), což označuje všechny technologie, které zvyšují stabilitu sítě, její kapacitu a flexibilitu.
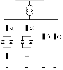
Tlumivky řízené tyristory (a), označované TCR, jsou hlavní komponentou SVC systémů. Spotřeba jalové energie těchto systémů může být trvale řízena pomocí úhlu otevření tyristorů. Tyristory jsou běžně používány společně s kapacitními bankami pro možnou úpravu jalového výkonu podle potřeby. Pro omezení zapínacího proudu kondenzátorů se před ně v sérii instaluje omezující reaktor (b). Výkon procházející skrze polovodičové součástky v SVC způsobuje vyšší harmonické, které je potřeba odfiltrovat. Z tohoto důvodu jsou SVC systémy doplněny ještě o tlumivky jako filtry vyšších harmonických (c).

Nejsou to pouze distributoři energií, kteří vkládají hodně úsilí do zlepšení výkonu a stability jejich sítí. Zvyšující se požadavky na výrobu a stále přísnější regulace a omezení povoleného rušení v sítích dělá z kompenzace jalového výkonu výnosné řešení pro průmysl.
Typickým příkladem může být průmyslová zátěž, která může způsobovat problémy běžným odběratelům energií. Jde nejčastěji o pecní provozy v ocelárnách. Extrémní výkyvy v zatížení během tavícího procesu vyžadují dynamickou kompenzaci jalového výkonu pro zajištění stabilního napětí na vstupu pece. SVC systémy pro elektrické obloukové pece proto tvoří klíčovou aplikaci pro SVC tlumivky, konkrétně pro tlumivky řízené tyristory.
